Датчик движения B.E.G. Indoor 180-M-2C без рамки (92661)

Бренд
B.E.G. Luxomat
Артикул
92661
Тип датчика
Движения
Цвет
белый серебро антрацит кремовый
Степень защиты
IP20 (для помещений) , IP54 (уличный)
Монтаж
Врезной
EAN
4007529926619
Бренд
B.E.G. Luxomat
Артикул:
92661
Цена:
27497,0 ₽
Заказать
Свяжитесь с нами и мы поможем вам правильно подобрать оборудование и комплектующие
Характеристики
EAN
4007529926619
Тип датчика
Движения
Цвет
белый серебро антрацит кремовый
Степень защиты
IP20 (для помещений) , IP54 (уличный)
Монтаж
Врезной
Вариант установки
Настенный
Угол обнаружения
180°
Мощность нагрузки, Вт
2300 Вт
Кол-во каналов
2 канала
Дальность обнаружения
10 м
Сенсор
Инфракрасный , Шумовой,акустический
Вид питания
220/230В
Мин задержка отключения
15 сек
Макс задержка отключения
30 мин
Бренд
B.E.G. Luxomat
Гарантия
36 мес.
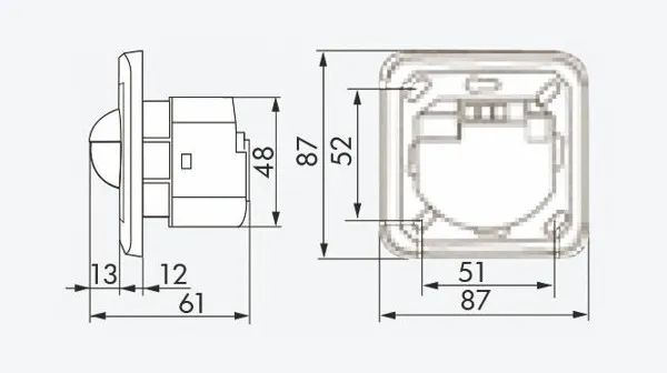
Размеры (ВxШxГ)
87 × 87 × 61 мм
Вес
0.3 кг
Описание

Описание

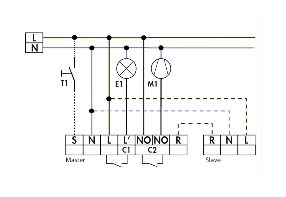
  • Дистанционно управляемый датчик движения/шума в исполнении MASTER устройства в виде настенного выключателя с диапазоном обнаружения 180°
  • Возможность комбинирования с рамкой крышки пяти различных цветов
  • В сочетании с промежуточной рамкой подходит для всех распространенных выключателей, предназначенных для скрытого монтажа
  • Два канала коммутации, один для коммутации света, второй с нулевым потенциалом для коммутации окв (отопления, кондиционировании и вентиляции).
  • Возможность подключения любого количества SLAVE устройств для расширения диапазона обнаружения!
  • Исполнение IP20 и IP54 (исполнение IP54 для влажных помещений, гаражей, лестниц в подвал)
  • Измерение освещенности, замер дневного и искусственного освещения


Примеры использования

Контроль общественных туалетов, коридоров, архивов, комнат для совещаний

Технические данные

  • Сетевое напряжение 230V
  • Энергопотребление около 1,1 Вт
  • Диапазон обнаружения 180°
  • Дальность действия перпендикулярно макс. 10 м.
  • Дальность действия фронтально макс. 3 м.
  • Степень защиты IP20
  • Габариты Д 87 x Ш 87 x В 61 мм
  • Температура окружающей среды от -25°C до +50°C
  • Корпус из высококачественного и устойчивого к УФ поликарбоната
  • Пульты IR-PD-2C, IR-PD-Mini, IR-adapter c App (IOS/ Android)
Канал 1
  • Коммутационная способность 2300 Bт, cos φ = 1; 1150 ВА, cos φ = 0,5
  • Настройки времени 15 сeк. — 30 мин. или импульс
  • Уровень освещенности 2 - 2000 люкс
Канал 2
  • Коммутационная способность Замыкающий контакт, контакт NO, 230 В, 3 A, cos φ = 1
  • Настройки времени Импульс сигнала тревоги, импульс или от 5 до 120 мин
Галерея
Whatsapp
Telegram
Телефон
Email
Наверх

Связаться с нами
Главная Каталог Корзина
0
Избранное Сравнение