Датчик движения Theben theLuxa P220 BK (1010606)
Описание функций
- Инфракрасный уличный датчик движения
- Автоматическое управление освещение по фактору движения и уровню естественного освещения
- Для установки на улице (IP 55)
- Универсальной установки: на стену, на потолок, на наклонную поверхность
- Для управления освещением на бальших территориях. Территории бизнес-центров, гостиниц, школ, больниц. Парковки, складские комплексы, промзоны и т.д.
- Настраиваемые порог срабатывания по освещенности и задержка отключения
- Чувствительность может быть понижена для уменьшения зоны обнаружения
- Непрозрачные сегменты, для ограничения зоны обнаружения водят в поставку
- Подходит для всех типов ламп: люминесцентные (FL/PL/ESL), галогенные/накаливания, а так же светодиодные источники света
- Функция «самообучение» для автоматической настройки порога срабатывания по освещенности
- Функция «Импульс» для управления другими приборами (например, лестничными таймерами, ПЛК и т.д.)
- Возможен врезной монтаж в монтажную коробку 60 мм
- Конструкция обеспечивает простой и быстрый монтаж «одной рукой»
- Заводские настройки позволяют использовать датчик сразу после монтажа
- Регуляторы настроек надежно защищены
- Рамка входит в комплект поставки
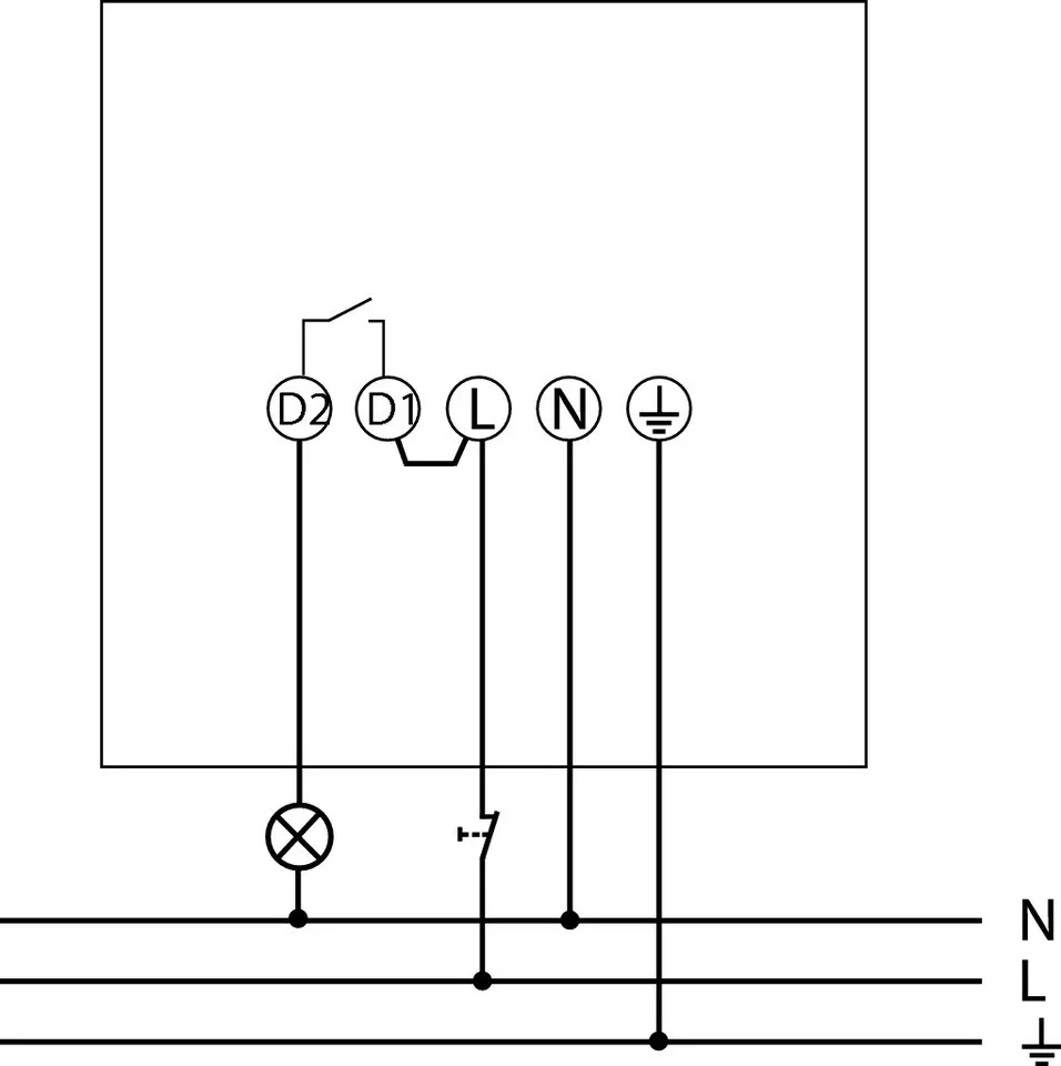
- Клеммы для заземляющего провода
Технические характеристики
| Номинальное напряжение | 230 В |
| Частота | 50 Гц |
| Энергопотребление в режиме ожидания | ~0,3 Вт |
| Измерение освещенности | Смешанное измерение освещенности |
| Количество каналов | 1 |
| Цвет | Чёрный |
| Релейный выход | Освещение |
| Тип монтажа | Настенный и Потолочный монтаж |
| Диапазон настройки яркости | 5 – 1000 Лк |
| Коммутационная способность | 10 A при 230 В AC, cos φ = 1, 10 AX при 230 В AC, cos φ = 0,3 |
| Угол зоны обнаружения | 220° |
| высота установки | 2 – 4 м |
| Задержка отключения освещения | 1 сек - 20 мин |
| Лампы накаливания/галогенные | 2300 Вт |
| Нагрузка люминесцентных ламп (обычных) параллельно компенсированных | 1300 ВА 140 µF |
| Энергосберегающие лампы | 300 Вт |
| Мощность выхода включения | макс. 800 A / 200 µs |
| Светодиодные лампы < 2 Вт | 60 Вт |
| Светодиодные лампы 2-8 Вт | 600 Вт |
| Светодиодные лампы > 8 Вт | 600 Вт |
| Лампы | Лампы накаливания/галогенные, Люминесцентные лампы, Энергосберегающие лампы, LEDs |
| Дистанционно управляемый | Да |
| Температура окружающей среды | -25°C ... +45°C |
| Класс электрической защиты | II |
| Степень защиты | IP 55 |
Диапазон измерений
| Высота установки | Движение по диагонали | Движение к датчику | |
| 2 м | 12 м | 4 м | |
| 2,5 м | 16 м | 5 м | |
| 3 м | 16 м | 5 м | |
| 3,5 м | 16 м | 5 м | |
| 4 м | 12 м | 4 м |