Датчик присутствия B.E.G. PD4-M-2C-DS-FC (92760)

Бренд
B.E.G. Luxomat
Артикул
92760
Тип датчика
Присутствия
Цвет
белый
Степень защиты
IP20 (для помещений)
Монтаж
Врезной
EAN
4007529927609
Бренд
B.E.G. Luxomat
Артикул:
92760
Цена:
44467,0 ₽
Заказать
Свяжитесь с нами и мы поможем вам правильно подобрать оборудование и комплектующие
Характеристики
EAN
4007529927609
Тип датчика
Присутствия
Цвет
белый
Степень защиты
IP20 (для помещений)
Монтаж
Врезной
Вариант установки
Потолочный
Угол обнаружения
360°
Мощность нагрузки, Вт
2300 Вт
Кол-во каналов
2 канала
Дальность обнаружения
12 м
Сенсор
Инфракрасный
Вид питания
220/230В
Мин задержка отключения
15 сек
Макс задержка отключения
30 мин
Бренд
B.E.G. Luxomat
Гарантия
36 мес.
Вес
0.3 кг
Описание

Описание

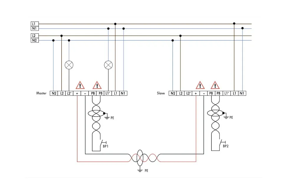
  • Датчик присутствия для подключения к двум фазам.
  • 2 канала для переключения света: система освещения может быть разделена на две отдельные группы освещения.
  • Функционирует как MASTER устройство
  • Возможность увеличить диапазон обнаружения с помощью дополнительного устройства PD4-М-2С-DS-DE, которое на страивается как SLAVE устройство
  • Возможно ручное управление с помощью кнопочного выключателя
  • Большой набор функций для управления с помощью пульта ДУ
  • Заводская настройка 10 мин и 500 люкс

Примеры использования

  • аварийные сети питания, например, в больницах или в центрах обработки данных

Технические данные

  • Сетевое напряжение 230V
  • Энергопотребление < 1,5 Вт
  • Диапазон обнаружения 360°
  • Дальность действия перпендикулярно 24 м.
  • Дальность действия фронтально Ø 8 м.
  • Дальность действия присутствие Ø 6,4 м.
  • Степень защиты IP20
  • Габариты Ø 117 x H 100 mm
  • Температура окружающей среды от -25°C до +50°C
  • Корпус из высококачественного и устойчивого к УФ поликарбоната
  • Пульты IR-PD-1C, IR-PD-Mini, IR-adapter c App (IOS/ Android)
Канал 1
  • Каналы управления 230V
  • Коммутационная способность 2300 Bт, cos φ = 1; 1150 BА, cos φ = 0,5
  • Настройки времени 15 сек — 30 мин. или импульс
  • Уровень освещенности 10 - 2000 люкс
Канал 2
  • Каналы управления 230V
  • Коммутационная способность 2300 Bт, cos φ = 1; 1150 BА, cos φ = 0,5
  • Настройки времени 15 сек — 30 мин. или импульс
  • Уровень освещенности 10 - 2000 люкс
Галерея
Whatsapp
Telegram
Телефон
Email
Наверх

Связаться с нами
Главная Каталог Корзина
0
Избранное Сравнение