Датчик присутствия B.E.G. PD4-M-DALI/DSI-HVAC-FC (92699)
Сведения о продукте
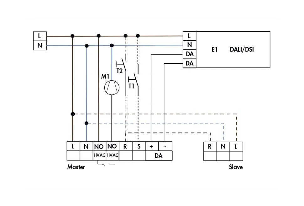
- Дистанционно управляемый потолочный групповой датчик присутствия PD4-M-DALI/DSI-HVAC в исполнении ведущего (Master) устройства, для скрытого монтажа в подвесной потолок, с интерфейсом DALI и круговым диапазоном обнаружения и дальностью действия около 24 м
- DALI / DSI канал для управления группами цифровых устройств и для диммирования ЭПРА
- Дополнительный коммутационный канал с множеством функций: функция Cut-off для отключения питания ЭПРА или HVAC-функция для энергосберегающего управления отоплением, микроклиматом или вентиляционными системами
- Импульс тревоги: для того, чтобы получить импульс, датчик должен зарегистрировать 3 движения в течение 9 секунд
- Переключение между программами DSI и DALI с помощью дистанционного управления
- Возможна поставка SLAVE устройств для недорогого увеличения диапазона обнаружения
- Возможно ручное управление и диммирование с помощью кнопочного выключателя
- Дополнительные функции можно настроить с помощью дистанционного ПУ (например, функцию ориентирующего света)
- Заводская настройка 10 мин и 500 люкс
Примеры использования
- Контроль больших площадей, например подземных гаражей, спортивных залов, складов, погрузочных платформ, залов
Технические данные
- Сетевое напряжение 230V
- Энергопотребление около 1 Вт
- Диапазон обнаружения 360°
- Дальность действия перпендикулярно Ø 24 м.
- Дальность действия фронтально Ø 8 м.
- Дальность действия присутствие Ø 6,4 м.
- Степень защиты IP20
- Габариты Ø 97 x В 103 мм
- Температура окружающей среды от -25°C до +50°C
- Корпус из высококачественного и устойчивого к УФ поликарбоната
- Пульты IR-PD-DALI-1C, IR-PD-DALI-Mini, IR-adapter c App (IOS/ Android)
Канал 1
- Каналы управления DALI
- Задающее устройство DALI/DSI макс. 50 ЭПРА
- Настройки времени от 1 до 30 мин.
- Уровень освещенности 10 - 2000 люкс
Канал 2
- Каналы управления 230V
- Коммутационная способность 2300 Bт, cos φ = 1; 1150 BА, cos φ = 0,5
- Настройки времени Импульс сигнала тревоги, импульс или от 5 до 120 мин