Датчик присутствия B.E.G. PD4-M-DUO-DIM-FC (92272)
Описание
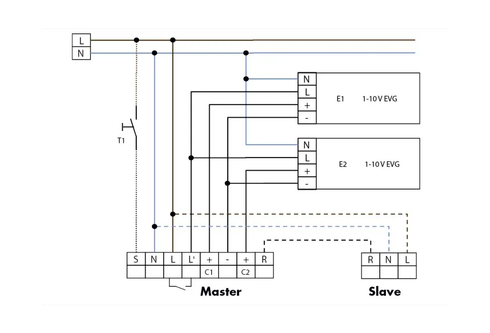
- Дистанционно управляемый потолочный датчик присутствия PD4-M-DUO-DIM в исполнении для диммирования света для скрытого монтажа в подвесной потолок, для двух отдельных групп освещения, с круговым диапазоном обнаружения и дальностью действия около 24 м
- Удобное и недорогое решение для регулировки постоянного освещения
- Два направленных устройства измерения освещенности для двух зон освещения, например в классной аудитории: световая полоса у окна и световая полоса внутри
- Один канал для коммутации света
- Возможность подключения любого количества SLAVE устройств для расширения диапазона обнаружения!
- Большое количество программ для настройки с помощью пульта дистанционного управления IR-PDim
Примеры использования
- Большие помещения с двумя отдельными группами освещения (вблизи и вдали от окон), например классные аудитории, большие офисы
Технические данные
- Сетевое напряжение 230V
- Энергопотребление около 0,5 Вт
- Диапазон обнаружения 360°
- Дальность действия перпендикулярно Ø 24 м.
- Дальность действия фронтально Ø 8 м.
- Дальность действия присутствие Ø 6,4 м.
- Степень защиты IP20
- Габариты Ø 97 x В 103 мм
- Температура окружающей среды от -25°C до +50°C
- Корпус из высококачественного и устойчивого к УФ поликарбоната
- Пульты IR-PDim, IR-PD-DIM-Mini, IR-adapter c App (IOS/ Android)
Канал 1
- Каналы управления 1-10V
- Коммутационная способность 2300 Bт, cos φ = 1; 1150 BА, cos φ = 0,5
- Коммутационная способность 1-10V постоянного тока, макс. 50 ЭПРА
- Настройки времени от 1 мин. до 30 мин.
- Уровень освещенности 10 - 2000 люкс
Канал 2
- Каналы управления 1-10V
- Коммутационная способность 2300 Bт, cos φ = 1; 1150 BА, cos φ = 0,5
- Настройки времени от 1 мин. до 30 мин.
- Уровень освещенности 10 - 2000 люкс