Датчик присутствия ESYLUX PD-C 360i/24 DUOplus-SM (EP10426810)
Описание
- Датчик присутствия с углом охвата 360°для монтажа на потолок.
- Дальность действия до 24 м в диаметре при рекомендованной монтажной высоте 3 м, для независимого управления освещением 2 зон (область окна и внутренняя область) в зависимости от присутствия людей и яркости дневного света
- Дополнительный контакт выключателя (канал 3) ОВК для включения и выключения удаленных источников света или для управления отоплением, вентилированием и кондиционированием в зависимости от присутствия людей
- Оптимально подходит для установки на высоте до 10 м, например, в спортивных залах, складских помещениях и т. д.
- Четко определенная рабочая программа для мгновенной готовности к эксплуатации
Технические характеристики
| ОБЩИЕ СВЕДЕНИЯ | |
|---|---|
| Категория устройства | Потолочный датчик присутствия |
| Возможно дистанционное управление | да |
| Соответствие | CE , RoHS |
| МОНТАЖ | |
|---|---|
| Тип монтажа | Накладной монтаж |
| Место установки | потолок |
| Монтажные размеры | |
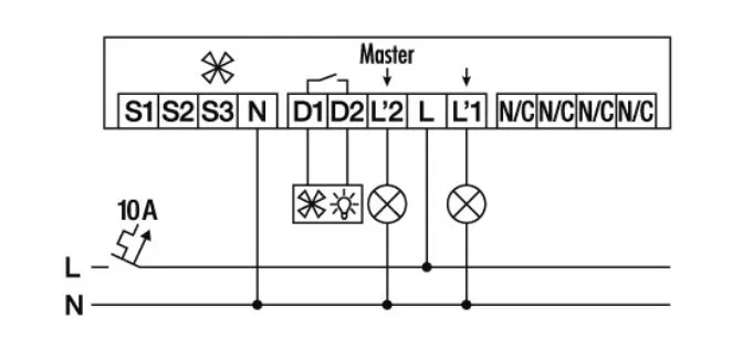
| Тип подключения | штепсельный зажим |
| КОРПУС | |
|---|---|
| Примерные | Высота/глубина |
| Масса | 250 г |
| Материал | УФ-стабилизированный поликарбонат |
| Степень защиты |
IP20 в качестве версии для скрытого монтажа,
IP20/IP54 с коробкой для открытой проводки (заказывается отдельно) IP20 как версия для установки на потолок (монтажный комплект заказывается отдельно) |
| Допустимая температура окружающей среды | -25 °C...+50 °C |
| Относительная влажность воздуха | 5-93 % без конденсата |
| Цвет | Белый, по цветовой гамме близок к RAL 9010 |
| ЭЛЕКТРИЧЕСКОЕ ИСПОЛНЕНИЕ | |
|---|---|
| Класс защиты | II |
| Номинальное напряжение | 230 V / 50 Гц |
| Потребляемая мощность | 0,3 Вт |
| Ток включения | 6 A / 20 ms |
| СЕНСОР | |
|---|---|
| Угол обнаружения | 360° |
| диапазоном обнаружения поперек | Ø 24 м |
| диапазоном обнаружения Фронтально | Ø 11 м |
| Угол охвата, диапазон обнаружения | Ø 8 м |
| Угол охвата | вплоть до 453 м² |
| Принят. Высота монтажа | 3 м |
| макс. Высота монтажа | 10 м |
| УПРАВЛЕНИЕ | |
|---|---|
| Кол-во каналов освещения | 2 |
| Кол-во каналов ОВК | 1 |
| Кнопочный вход освещение | 2 |
| Кнопочный вход ОВК | |
| Ведомый вход | |
| Макс. количество ведомых датчиков (Slave) | 10 |
| Режим | Полуавтоматика , полностью автоматический |
| КАНАЛЫ (ОСВЕЩЕНИЕ / ОВК) | |
|---|---|
| Канал | C1 Освещение |
| Функция | Переключение |
| Разрывная мощность |
230 V/50 Гц, 6 AX
1000 Вт/4,5 A (cos phi = 1) 500 VA/2,25 A (cos phi = 0,5) 250 Вт LED |
| Контакт выключателя | Замыкающий / с потенциалом |
| Вход выключателя | |
| Импульсная функция | |
| Время ожидания | 60 сек...30 мин (ступенчато регулируемый) |
| Ориентирующее освещение | от 10 % до 40 % мощности света |
| Канал | C2 Освещение |
| Функция | Переключение |
| Разрывная мощность |
230 V/50 Гц, 6 AX
1000 Вт/4,5 A (cos phi = 1) 500 VA/2,25 A (cos phi = 0,5) 250 Вт LED |
| Контакт выключателя | Замыкающий / с потенциалом |
| Вход выключателя | |
| Время ожидания | 60 сек...30 мин (ступенчато регулируемый) |
| Ориентирующее освещение | от 10 % до 40 % мощности света |
| Канал | C3 ОВК |
| Функция | Переключение |
| Разрывная мощность |
230 V/50 Гц, 6 AX
1000 Вт/4,5 A (cos phi = 1) 500 VA/2,25 A (cos phi = 0,5) 250 Вт LED |
| Контакт выключателя | Замыкающий / с потенциалом |
| Вход выключателя | |
| Импульсная функция | |
| Время ожидания | 300 сек...120 мин (ступенчато регулируемый) |