Датчик присутствия Steinel IR Quattro SLIM DALI-2 Application Controller (005795)
Чрезвычайно плоский. Супер чувствительный.
Сегодня сенсорные технологии необходимы во многих зданиях. Но не в ущерб эстетике! Именно здесь вступает в игру инфракрасный датчик присутствия IR Quattro SLIM. Толщина видимой части составляет всего 4 миллиметра, что позволяет устанавливать его почти заподлицо с потолком и остается почти незаметным. Уникальные во всем мире линзы сетчатки заслуживают еще большего внимания. Имея высоту установки до 4 метров, датчик обеспечивает реальную площадь присутствия в 16м², несмотря на плоскую конструкцию.
Технические характеристики
|
Европейский номер артикула (EAN) |
4007841005795 |
|
Тип |
Детектор присутствия |
|
Размеры (Д x Ш x В) |
77 х 77 х 55 мм |
|
Электропитание от сети |
120 - 250 В / 50 - 60 Гц |
|
Питание |
500 ВА макс., 120 В |
|
Сенсорная технология |
Пассивный инфракрасный |
|
Назначение |
В помещении |
|
Назначение, комната |
Кабинет для одного человека, гостиничный номер,
|
|
Монтаж |
Монтаж |
|
Электронная масштабируемость |
Нет |
|
Механическая масштабируемость |
Нет |
|
Монтажная высота |
2,50 - 4,00 м |
|
Оптимальная монтажная высота |
2,8 м |
|
Угол обнаружения |
360° |
|
Защита от подкрадывания |
Да |
|
Возможность маскировки отдельных сегментов |
Нет |
|
Охват, детализация |
Линза сетчатки и гексагональная структура Френеля |
|
Радиальный вылет |
4 x 4 м (16 м²) |
|
Вылет по касательной |
4 x 4 м (16 м²) |
|
Сумеречный порог УЧИТЬ |
Да |
|
Настройка сумерек |
10 - 1000 лк |
|
Настройки времени |
30 с - 30 мин. |
|
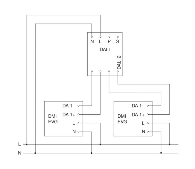
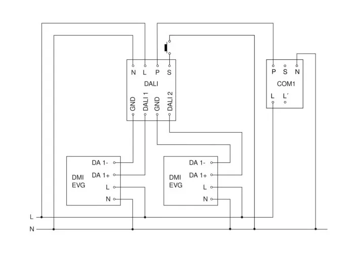
Контрольный выход, DALI |
Трансляция электронных балластов 2х12 |
|
Постоянное управление освещением |
Да |
|
Базовая функция уровня освещенности |
Да |
|
Время работы основного уровня освещенности |
1-60 мин, всю ночь |
|
Функции |
Нормальный / тестовый режим,
|
|
Настройки через |
Пульт дистанционного управления,
|
|
С дистанционным управлением |
Нет |
|
Параллельное подключение |
Да |
|
IP-рейтинг |
IP20 |
|
Материал |
Пластик |
|
Температура окружающей среды |
0°С ... +40°С |
|
Цвет |
Белый |
|
Цвет, RAL |
9010 |
|
Гарантия производителя |
5 лет |
|
Версия |
Application Controller DALI-2 |
|
Интерфейс |
Application Controller DALI-2 |
|
Сенсорная технология |
Пассивный инфракрасный |